

介绍
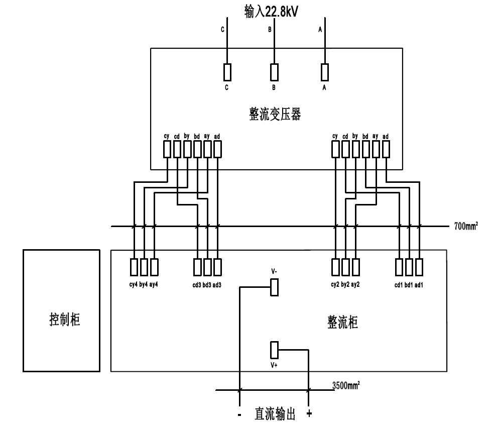
整流系统的设计是为电解铜和锌工业、烧碱、电解水制氢工业等提供直流电源,输出总功率为5246kW(外观视频:https://youtu.be/Jkute55ZYyA )。
整流器的功率电路主要由工频变压器和三相全桥整桥整流器组成。整流器的控制电路主要由触摸屏、控制器、PLC、按钮、电流和电压传感器等组成。操作人员可以使用触摸屏和按钮完成人机交互功能,通过触摸屏完成系统参数设置、操作、数据和状态显示等功能。控制器是控制系统的核心,它控制晶闸管模块的晶闸管的导通,使整流器输出实时跟踪输入给定。



电气参数
项目 | 电气参数 |
输入额定电压 | 583.9-621.9Vac,3相 |
输入最大电流 | 4*1442Aac |
频率 | 60Hz |
输出额定电流 | 7070ADC |
输出额定电压 | 742VDC |
输出范围 | 0-7070A 0-742V |
控制模式 | CC/CV |
电路拓扑 | 三相全桥 |
冷却方式 | 水冷 |
防护等级 | IP40 |
运行温度范围 | 0~40℃ |
运行湿度范围 | < 90% |
海拔 | < 1000米 |
结构参数
项目 | 结构数据 |
安装位置 | 室内 |
尺寸(宽*深*高) | 4000x1250x2170mm(带吊环) |
重量 | 2980kg |
颜色 | RAL 7035 |
输入位置 | 整流柜顶部 |
输出位置 | 整流柜底部 |
系统连接

产品应用
本产品是由im电竞公司雄厚技术团队设计制造的7070A742V可控硅整流柜。在炼油厂,燃料电池,氨和甲醇生产,金属生产和制造,食品加工以及电子产品中,特别是用于车辆等制氢行业整流电源必不可少。

产品优势

认证证书

